Francais English
759
INT-DI163-ISO24DC

16 Channels - Discrete Isolated input for Dry contact or proximity switches

Browse

CBL-SUBD25FSHD/18W/1935

Browse

EM:1C31233G04 + PM:1C31238H01

MTL

Ovation™

Discrete Input module, Sequence of Events - 16 channel

760
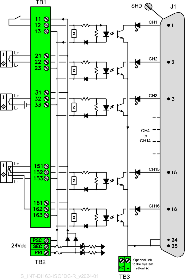
INT-DI163-ISO24DC-R

16 Channels - Discrete Isolated input for Dry contact or proximity switches

Browse

CBL-SUBD25FSHD/18W/1935

Browse

EM:1C31233G04 + PM:1C31238H01

MTL

Ovation™

Discrete Input module, Sequence of Events - 16 channel