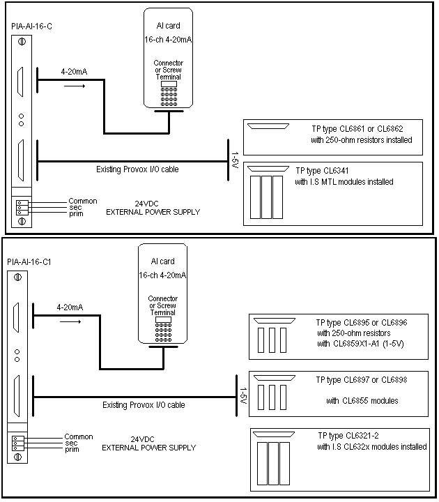
Serie 20 PROVOX™ Interface Adapter for migration toward a new system AI 16ch (1-5V) PROVOX™ Panel / 16ch AI card (4-20mA)
Sales Contact |
cyrille.coclin@isi-electronique.fr | |
Technical Contact |
xavier.mallot@isi-electronique.fr | |
Order Management |
antoine.boissieres@isi-electronique.fr |
Copyright Firelec © All rights reserved.

