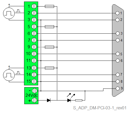
4 channels - Adapter for Vortex Pulse Count Input
Sales Contact |
cyrille.coclin@isi-electronique.fr | |
Technical Contact |
xavier.mallot@isi-electronique.fr | |
Order Management |
antoine.boissieres@isi-electronique.fr |
Copyright Firelec © All rights reserved.

