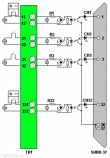
32 channels - Discrete isolated Inputs. Dry Contacts or proximity detectors - Input powered by 48Vac. SUBD37 connector for connection with the DCS or PLC (Sinking type).
Sales Contact |
cyrille.coclin@isi-electronique.fr | |
Technical Contact |
xavier.mallot@isi-electronique.fr | |
Order Management |
antoine.boissieres@isi-electronique.fr |
Copyright Firelec © All rights reserved.

